English
Español
Português
русский
Français
日本語
Deutsch
tiếng Việt
Italiano
Nederlands
ภาษาไทย
Polski
한국어
Svenska
magyar
Malay
বাংলা ভাষার
Dansk
Suomi
हिन्दी
Pilipino
Türkçe
Gaeilge
العربية
Indonesia
Norsk
تمل
český
ελληνικά
український
Javanese
فارسی
தமிழ்
తెలుగు
नेपाली
Burmese
български
ລາວ
Latine
Қазақша
Euskal
Azərbaycan
Slovenský jazyk
Македонски
Lietuvos
Eesti Keel
Română
Slovenski
मराठी
Srpski језик
Cechy produktu
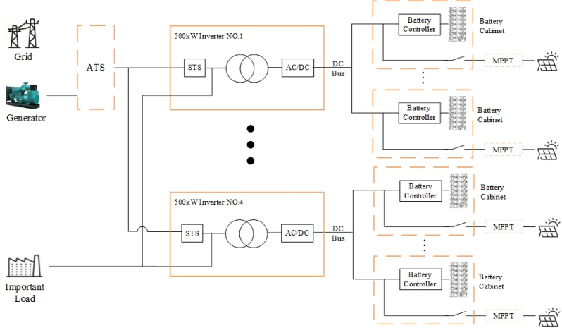
1. W przypadku obciążeń przekraczających 500 kW zaleca się stosowanie jednojednostkowego falownika magazynującego energię o dużej mocy 500 kW, który jest w stanie obsłużyć do czterech zestawów połączeń równoległych, uzyskując łączną moc wyjściową 2 MW;
2. Podczas równoległej pracy wielu systemów o mocy 500 kW i rozdzielania STSa na różne falowniki o mocy 500 kW, niezwykle ważne jest zapewnienie stałej długości kabla od punktu włączenia sieci do punktu powiązania obciążenia;
3.Hybrydowy ESS wykorzystuje integrację fotowoltaiki ze sprzężeniem prądu stałego, osiągając wysoką efektywność konwersji energii i zoptymalizowaną pod kątem scenariuszy poza siecią, w których moc wytwarzania energii fotowoltaicznej przekracza zapotrzebowanie obciążenia; MPPT do zastosowań zewnętrznych
kontrolery integrują funkcje sumatora i MPPT w jednej wzmocnionej obudowie. Kompletny system obejmuje opcję generatora diesla ATS, falownik hybrydowy o mocy 300 kW, sterownik PV MPPT i akumulator
system magazynowania energii.


Specyfikacja
| Modele | P500TS-400-A | |
|
Parametry strony DC |
Zakres napięcia | 500-950 V |
| Maksymalny prąd | 1128A | |
| Znamionowa moc wyjściowa | 500 kW | |
|
Parametry strony AC (podłączony do sieci) |
Maksymalna moc wyjściowa | 550 kW |
| Znamionowy prąd wyjściowy | 722A | |
| THDi | <3% | |
| Typ siatki | 3W+N+PE | |
| Zakres napięcia | 360VAC ~ 440VAC | |
| Zakres częstotliwości | 45 ~ 55 Hz/55 ~ 65 Hz | |
| Współczynnik mocy | -1~1 | |
| Znamionowa moc wyjściowa | 500 kW | |
|
Parametry strony AC (poza siecią) |
Znamionowe napięcie wyjściowe | 400 V |
| Znamionowa częstotliwość wyjściowa | 50/60 Hz | |
| THDu | <1% Obciążenie liniowe, <5% Obciążenie nieliniowe | |
| Przeciążalność | 110%10 minut | |
| Przełącznik obejścia serwisowego | 1250A | |
|
Przełącznik off-grid i konfiguracja przełącznika |
Przełącznik prądu stałego | 1250A |
| Przełącznik obciążenia | 1250A | |
| Przełącznik sieciowy | 1250A | |
| Jednostka STS | 1155A/800kW | |
| Czas przełączania | <20 ms | |
|
Parametry systemów |
Szczytowa wydajność | 97,5% |
| Temperatura robocza | -30 ~ 55 ℃ (obniżenie wartości znamionowych powyżej 40 ℃) | |
| Wilgotność względna | 0 do 95% RH, bez kondensacji | |
| Wymiary (L*D*H) | 1600×1050×2050mm | |
| Waga | 2700 kg | |
| Stopień IP | IP21 IP21 (kompletna maszyna) | |
| Hałas | <70 dB | |
| Ekran wyświetlacza | LCD | |
| Komunikacja BMS | MÓC | |
| Komunikacja EMS | TCP/IP | |
Szafka do przechowywania energii
Bateria litowa do pionowego magazynowania energii
Szafa do przechowywania energii Bateria litowa
Akumulator litowy do przechowywania energii do montażu na ścianie
Ułożona bateria litowa do przechowywania energii
Akumulator litowy do przechowywania energii wysokiego napięcia