English
Español
Português
русский
Français
日本語
Deutsch
tiếng Việt
Italiano
Nederlands
ภาษาไทย
Polski
한국어
Svenska
magyar
Malay
বাংলা ভাষার
Dansk
Suomi
हिन्दी
Pilipino
Türkçe
Gaeilge
العربية
Indonesia
Norsk
تمل
český
ελληνικά
український
Javanese
فارسی
தமிழ்
తెలుగు
नेपाली
Burmese
български
ລາວ
Latine
Қазақша
Euskal
Azərbaycan
Slovenský jazyk
Македонски
Lietuvos
Eesti Keel
Română
Slovenski
मराठी
Srpski језик |
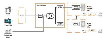
Funkcja System wykorzystuje modułowe jednostki inwerterowe w konfiguracji równoległej, gdzie wejście DC każdego modułu inwertera odpowiada dedykowanej szafie bateryjnej, umożliwiając zarządzanie poszczególnymi klastrami w celu wyeliminowania prądów krążących pomiędzy nimi ciągi baterii. Moduły zasilania AC/DC umożliwiają elastyczne wdrażanie zarówno pod względem ilości, jak i moc znamionowa, o maksymalnej mocy modułów 60 kW w połączeniu równoległym 5 jednostek konfiguracja. Wyjście prądu przemiennego z modułów mocy dostarczane jest przez transformator izolowany stopień wyjściowy, dostarczający moc do obciążenia z dużą rezystancją obecny szok. Hybrydowy ESS wykorzystuje integrację fotowoltaiczną ze sprzężeniem prądu stałego, osiągając wysoką wydajność efektywność konwersji energii i zoptymalizowana pod kątem scenariuszy poza siecią z fotowoltaiką moce wytwórcze przekraczające zapotrzebowanie obciążenia; Kontrolery MPPT do zastosowań zewnętrznych integruje funkcje sumatora i MPPT w jednej wzmocnionej obudowie. Kompletny system obejmuje opcję generatora diesla ATS, hybrydę o mocy 300 kW falownik, sterownik PV MPPT i akumulatorowy system magazynowania energii.
Funkcja System wykorzystuje modułowe jednostki inwerterowe w konfiguracji równoległej, gdzie wejście DC każdego modułu inwertera odpowiada dedykowanej szafie bateryjnej, umożliwiając zarządzanie poszczególnymi klastrami w celu wyeliminowania prądów krążących pomiędzy nimi ciągi baterii. Moduły zasilania AC/DC umożliwiają elastyczne wdrażanie zarówno pod względem ilości, jak i moc znamionowa, o maksymalnej mocy modułów 60 kW w połączeniu równoległym 5 jednostek konfiguracja. Wyjście prądu przemiennego z modułów mocy dostarczane jest przez transformator izolowany stopień wyjściowy, dostarczający moc do obciążenia z dużą rezystancją obecny szok. Hybrydowy ESS wykorzystuje integrację fotowoltaiczną ze sprzężeniem prądu stałego, osiągając wysoką wydajność efektywność konwersji energii i zoptymalizowana pod kątem scenariuszy poza siecią z fotowoltaiką moce wytwórcze przekraczające zapotrzebowanie obciążenia; Kontrolery MPPT do zastosowań zewnętrznych integruje funkcje sumatora i MPPT w jednej wzmocnionej obudowie. Kompletny system obejmuje opcję generatora diesla ATS, hybrydę o mocy 300 kW falownik, sterownik PV MPPT i akumulatorowy system magazynowania energii.
Dane techniczne |
|||||
| Modele | P200TS-400-A | P250TS-400-A | P300TS-400-A | ||
|
Parametry strony DC |
Zakres napięcia | 650-950 V prądu stałego | |||
| Przełącznik wejściowy dla każdego modułu | 250A | ||||
| Liczba kanałów DC | 3 sposoby | 4 sposób | 5 sposobów | ||
|
Parametry strony AC (podłączony do sieci) |
Znamionowa moc wyjściowa | 200 kW | 250 kW | 300 kW | |
| Maksymalna moc wyjściowa | 220 kW | 275 kW | 330 kW | ||
| Znamionowy prąd wyjściowy | 289A | 361A | 433A | ||
| THDi | <3% | ||||
| Typ siatki | 3W+N+PE | ||||
| Zakres napięcia | 360 V~440 V AC | ||||
| Zakres częstotliwości | 45 ~ 55 Hz/55 ~ 65 Hz | ||||
| Współczynnik mocy | -1~1 | ||||
|
Wyspiarski Parametry strony AC |
Znamionowa moc wyjściowa | 200 kW | 250 kW 300 kW | ||
| Znamionowe napięcie wyjściowe | 400Vac | ||||
| Znamionowa częstotliwość wyjściowa | 50/60 Hz | ||||
| THDu | <1% liniowy, <5% nieliniowy <1% liniowy, <5% nieliniowy | ||||
| Przeciążalność | 110% przeciążenia przez 10 minut 110% przez 10 minut | ||||
|
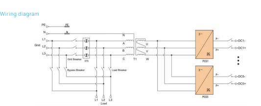
Wyspy siatkowe Transfer i rozdzielnica |
Przełącznik obejścia serwisowego | 400A | 630A | ||
| Przełączniki sieciowe | 630A | 800A | |||
| Przełączniki obciążenia | 400A | 630A | |||
| Jednostka STS | 577A/400kW | 722A/500kW | |||
| Czas przełączania | <20 ms | ||||
|
Parametry systemów |
Maksymalna wydajność | 97,5% | |||
| Temperatura robocza | -30 ~ 55 ℃ -30 ~ 55 ℃ (obniżenie wartości znamionowych powyżej 40 ℃) | ||||
| Wilgotność względna | 0 ~ 95% RH, 0 ~ 95% RH, bez kondensacji | ||||
| Wymiary (L*D*H) | 1300×1050×2050mm | ||||
| Waga | 1400 kg | 1700kg 1800 kg | |||
| Stopień IP | IP21 IP21 (pełny zestaw) | ||||
| Hałas | <70 dB | ||||
| Ekran wyświetlacza | Ekran dotykowy LCD | ||||
| Komunikacja BMS | MÓC | ||||
| Komunikacja EMS | TCP/IP | ||||
Szafka do przechowywania energii
Bateria litowa do pionowego magazynowania energii
Szafa do przechowywania energii Bateria litowa
Akumulator litowy do przechowywania energii do montażu na ścianie
Ułożona bateria litowa do przechowywania energii
Akumulator litowy do przechowywania energii wysokiego napięcia