English
Español
Português
русский
Français
日本語
Deutsch
tiếng Việt
Italiano
Nederlands
ภาษาไทย
Polski
한국어
Svenska
magyar
Malay
বাংলা ভাষার
Dansk
Suomi
हिन्दी
Pilipino
Türkçe
Gaeilge
العربية
Indonesia
Norsk
تمل
český
ελληνικά
український
Javanese
فارسی
தமிழ்
తెలుగు
नेपाली
Burmese
български
ລາວ
Latine
Қазақша
Euskal
Azərbaycan
Slovenský jazyk
Македонски
Lietuvos
Eesti Keel
Română
Slovenski
मराठी
Srpski језик
Cecha produktues
1, wytwarzanie prądu stałego i magazynowanie prądu stałego, większa wydajność i mniejsze straty, co jest odpowiednie dla energii fotowoltaicznej i magazynowania, jest większa
niż scenariusze zasilania obciążenia poza siecią;
2, stopień ochrony IP65, spełniający wymagania do użytku na zewnątrz. Pobliski MPPT zwiększa moc wyjściową konwergencji, co pomaga zapobiegać okablowaniu
zamieszanie spowodowane przesyłaniem wielu kabli fotowoltaicznych (PV) na duże odległości do systemu „wszystko w jednym”.
Szeroki zakres napięć wejściowych fotowoltaiki 3, 200–900 V, obsługujący dostęp do wysokoprądowych modułów fotowoltaicznych w branży.
4, Wielokanałowy MPPT, spełniający wymagania wielu kątów panelu fotowoltaicznego
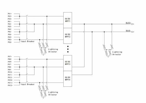
Schemat okablowania

Specyfikacja
| Modele | MPPT-8 | MPPT-6 | MPPT-12 | |
| Interfejs po stronie PV Parametry |
Maksymalne napięcie panelu fotowoltaicznego | 900 V | ||
| Zakres napięcia MPPT | 200 V-900 V | |||
| Zakres napięcia znamionowego MPPT | 560 V-900 V | |||
| Maksymalny prąd gałęzi | 24A | 20A | ||
| Liczba ciągów wejściowych PV | 8 | 6 | 12 | |
| Liczba MPPT | 8 | 2 | 4 | |
| Prąd na MPPT | 20A | 55A | ||
| Parametry wyjściowe | Zakres napięcia | 600-950 V | ||
| Napięcie znamionowe | Domyślnie 716,8 V, regulowane | |||
| Znamionowy prąd wyjściowy | 118A | 84A | 168A | |
| Znamionowa moc wyjściowa | 84kW | 60kW | 120 kW | |
| Maksymalny prąd wyjściowy | 192A | 120A | 240A | |
| Parametry systemu | Sprawność UE | 99,4% | ||
| klasa iP | IP65 | |||
| Koncepcja chłodzenia | Konwekcja naturalna | Wymuszone chłodzenie powietrzem | ||
| Wymiary (szer.*gł.*wys.) | 550x530x280mm | 630×460×260 mm | 630×460×260 mm | |
| Waga | 42 kg | 25 kg | 30 kg | |
| Temperatura robocza | -30 ~ 55 ℃ | |||
| Tryby zasilania | Własne zasilanie (bez zużycia energii w nocy) | |||
| Interfejs komunikacyjny | RS485 | |||

Szafka do przechowywania energii
Bateria litowa do pionowego magazynowania energii
Szafa do przechowywania energii Bateria litowa
Akumulator litowy do przechowywania energii do montażu na ścianie
Ułożona bateria litowa do przechowywania energii
Akumulator litowy do przechowywania energii wysokiego napięcia